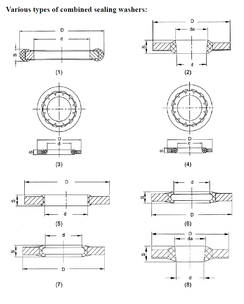
Bonded seal are suitable for oil-based pipeline systems, providing seal for pressure systems including welding, ferrule joints, expansion pipe joints, screw plugs and mechanical devices, to prevent leakage of oil, fuel, water and medicine. Due to its simple structure, high sealing effects and low price, bonded seals are widely used in machinery manufacturing.
The following are the detailed dimension table we provide for boned oil sealing washer. More various dimensions and information are avaliable on our catalog.




